Array 开关型-1 1/4” 不锈钢两通法兰阀 -电动球阀,塑料电动球阀,定时排水阀门,防漏水控制器,定时排污阀门,电动阀门,电动执行器|台州通禾流体控制股份有限公司
通禾
产品组图
产品组图
产品组图
产品组图
产品组图
产品组图
产品组图
产品组图
产品组图
产品组图
产品组图
产品组图
开关型-1 1/4” 不锈钢两通法兰阀
A550-T32-SF2-B 法兰阀

1、 外形美观,结构紧凑,精度高输出扭矩大,使用寿命不低于3万次

2、 执行器和阀门可以多角度装配,方便于用户对于空间的分配需求

3、 球阀采用浮动软密封结构

4、 防护等级IP67



产品参数
安装说明
手机查看
技术参数
阀体口径
DN32 DN40 DN50 DN65 DN80
最大工作压力
1.0MPa
介质
水、空气
额定电压
DC12V AC24V DC24V AC220V
接线图
CR201 CR501 CR202 CR502 CR301 CR602 CR303 CR603 4-20mA (可选)
开关时间
≤20S
质保期
开关次数30000次(一年)
阀材质
不锈钢
执行器材质
PPO
输出轴规格
14*14 mm
执行器旋转角度
90°
扭力
50N.m
线长
0.5m 1.5m(可选)
环境温度
-15℃-60℃
液体温度
2℃-90℃
手动功能
开关指示
防护等级
IP67
密封材质
FKM&PTFE
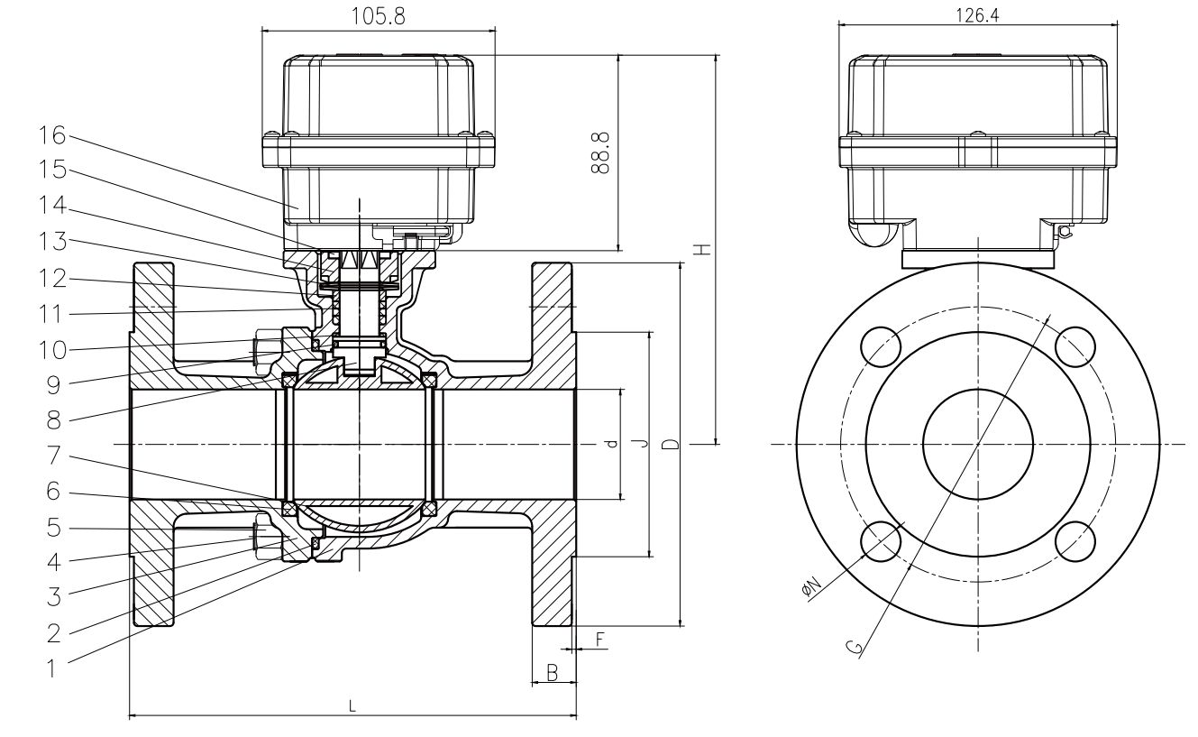
组装图
接线图

CR201(2线控制)

1、红线接通正极,黑线接通负极,阀门关闭,关阀到位后保持;

2、黑线接通正极,红线接通负极,阀门打开,开阀到位后保持;

*电压选配:DC5V,DC12V,DC24V

*不得超过电压工作


CR202(2线控制,断电复位功能)

常闭型

1、红线接正极,黑线接负极;

2、开关闭合,阀门打开,开阀到位后保持;

3、开关断开,阀门关闭,关阀到位后保持;

常开型

1、红线接正极,黑线接负极;

2、开关闭合,阀门关闭,关阀到位后保持;

3、开关断开,阀门打开,开阀到位后保持;

*电压选配:AC/DC9-24V, AC/DC9-35V, AC/DC110V-230V

*不得超过电压工作


CR301(3线控制)

1、红线、绿线接正极,黑线接负极;

2、开关与红线接通,阀门打开,开阀到位后保持;

3、开关与绿线接通,阀门关闭,关阀到位后保持;

*电压选配:DC5V,DC12V,DC24V,DC12-24V,AC/DC110-230V

*不得超过电压工作


CR302(3线控制)

1、红线接正极,黑线、绿线接负极;

2、开关闭合,阀门打开,开阀到位后保持;

3、开关断开,阀门关闭,关阀到位后保持;

4、可选是否断电关阀。

*电压选配:DC9-35V,DC9-60V,AC/DC12-24V

*不得超过电压工作

CR303(3线控制)

1、红线、绿线接正极,黑线接负极;

2、开关闭合,阀门打开,开阀到位后保持;

3、开关断开,阀门关闭,关阀到位后保持;

*电压选配:DC12V,DC24V,DC9-24V,AC/DC9-35V,AC110-230V

*不得超过电压工作


CR306(3线控制,断电复位功能)

常闭型

1、红线、绿线接正极,黑线接负极;

2、开关闭合,阀门关闭,关阀到位后保持;

3、开关断开,阀门打开,开阀到位后保持;

4、断开外部电源后阀门自动关闭

常开型

1、红线、绿线接正极,黑线接负极;

2、开关闭合,阀门打开,开阀到位后保持;

3、开关断开,阀门关闭,关阀到位后保持;

4、断开外部电源后阀门自动打开

*电压选配:AC/DC9-24V,AC110-230V

*不得超过电压工作


CR501(5线控制,带反馈信号)

1、红线接通正极,黑线接通负极,阀门关闭,关阀到位后保持,黄线和白线接通;

2、黑线接通正极,红线接通负极,阀门打开,开阀到位后保持,绿线和白线接通;

*电压选配:DC5V,DC12V,DC24V

*不得超过电压工作

*反馈信号负载能力:0.3A 24VACDC(阻性负载)


CR502  ( 5线控制,断电复位功能,带反馈信号)

常闭型

1、红线接正极,黑线接负极;

2、开关闭合,阀门打开,开阀到位后保持,绿线和白线接通;

3、开关断开,阀门关闭,关阀到位后保持,黄线和白线接通;

常开型

1、红线接正极,黑线接负极;

2、开关闭合,阀门关闭,关阀到位后保持,黄线和白线接通;

3、开关断开,阀门打开,开阀到位后保持,绿线和白线接通;

*电压选配:DC9-35V,DC9-60V,DC12-24V,AC24V , AC110-230V

*不得超过电压工作

*反馈信号负载能力:0.3A 24VACDC(阻性负载)


1.红线接电源正极,黑线接电源负极,

2.绿线接4-20mA信号输入正极,蓝线接4-20mA信号输入负极;

3.白线接4-20mA信号输出正极,蓝线接4-20mA信号输出负极;

4.输入20mA顺时针转,阀门全开;输入4mA逆时针转,阀门全闭;

l电压选配: £ DC12-24V

l不得超过电压工作


CR601  ( 6线控制,带反馈信号 )

1、红线接正极,黑线、绿线接负极;

2、开关闭合,阀门打开,开阀到位后保持,蓝线和白线接通;

3、开关断开,阀门闭合,关阀到位后保持,黄线和白线接通;

*电压选配:AC/DC12-24V,DC9-35V,DC9-60V 

*不得超过电压工作

*反馈信号负载能力:0.3A 24VACDC(阻性负载)


CR602 (6线控制,带反馈信号)

1、红线、绿线接正极,黑线接负极;

2、开关与红线接通,阀门打开,开阀到位后保持,蓝线和白线接通;

3、开关与绿线接通,阀门关闭,关阀到位后保持,黄线和白线接通;

*电压选配:DC5V,DC12V,DC24V,DC12-24V,AC/DC110-230V  

*不得超过电压工作

*反馈信号负载能力:0.3A 24VACDC(阻性负载)


CR603 (6线控制,带反馈信号)

1、红线、绿线接正极,与黑线接负极;

2、开关闭合,阀门打开,开阀到位后保持,蓝线和白线接通;

3、开关断开,阀门闭合,关阀到位后保持,黄线和白线接通;

*电压选配:DC12V,DC24V,DC9-24V,AC/DC9-35V,AC110-230V

*不得超过电压工作

*反馈信号负载能力:0.3A 24VACDC(阻性负载)


CR605(6线控制,断电复位功能,带反馈信号)

常闭型

1、红线、绿线接正极,黑线接负极;

2、开关闭合,阀门打开,开阀到位后保持,蓝线和白线接通;

3、开关断开,阀门关闭,关阀到位后保持,黄线和白线接通;

4、断开外部电源后阀门自动关闭

常开型

1、红线、绿线接正极,黑线接负极;

2、开关闭合,阀门关闭,关阀到位后保持,黄线和白线接通;

3、开关断开,阀门打开,开阀到位后保持,蓝线和白线接通;

4、断开外部电源后阀门自动打开

*电压选配:  AC24V,DC12-24V 

*不得超过电压工作

*反馈信号负载能力:0.3A 24VACDC(阻性负载)


CR606(6线控制,断电复位功能,带反馈信号)

常闭型

1、红线、绿线接正极,黑线接负极;

2、开关闭合,阀门关闭,关阀到位后保持,黄线和白线接通;

3、开关断开,阀门打开,开阀到位后保持,蓝线和白线接通;

4、断开外部电源后阀门自动关闭

常开型

1、红线、绿线接正极,黑线接负极。

2、开关闭合,阀门打开,开阀到位后保持,蓝线和白线接通;

3、开关断开,阀门关闭,关阀到位后保持,黄线和白线接通;

4、断开外部电源后阀门自动打开

*电压选配:AC/DC9-24V,AC/DC110-230V 

*不得超过电压工作

*反馈信号负载能力:0.3A 24VACDC(阻性负载)


产品视频
产品资料下载
样品购买申请
提交中
提交成功
提交失败
提交出错
相关产品推荐
© 2015 台州通禾流体控制股份有限公司 浙ICP备13011497号-1 浙ICP备13011497号-2 全案策划:KCCN
客服1
客服2
置顶