Array 不锈钢两通485比例调节阀-电动球阀,塑料电动球阀,定时排水阀门,防漏水控制器,定时排污阀门,电动阀门,电动执行器|台州通禾流体控制股份有限公司
通禾
产品组图
产品组图
产品组图
产品组图
产品组图
产品组图
产品组图
产品组图
产品组图
产品组图
不锈钢两通485比例调节阀
A20-M20-S2-C

1、 外形美观,结构紧凑,精度高输出扭矩大,使用寿命不低于7万次

2、 执行器和阀门可以多角度装配,方便于用户对于空间的分配需求。

3、 球阀采用浮动软密封结构。

4、 防护等级IP67。

5、波特率:9600。


产品参数
安装说明
手机查看
技术参数
口径
BSP/NPT1/4” 3/8” 1/2” 3/4” 1” (可选)
最大工作压力
1.0MPa
介质
水、空气
额定电压
DC9-24V DC9-45V
输入信号
4-20mA、0-5V、0-10V、2-10V、1-5V、RS485(可选)
输出信号
PWM 4-20mA、0-5V、0-10V、2-10V、1-5V(可选)
开关时间
≤8S
寿命
70000次
阀材质
SS304 SS316 (可选)
执行器材质
PPO
执行器旋转角度
90°
扭力
3N.m
线长
0.5M 1.5M (可选)
环境温度
-15-55℃
介质温度
2-90℃
手动功能
开关指示
防护等级
IP67
工作电流
≤500mA
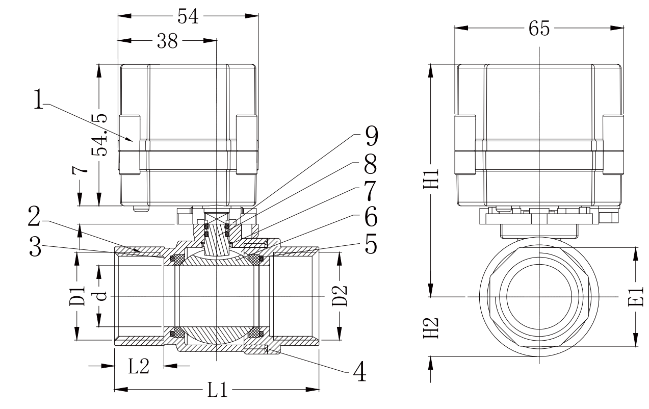
组装图
接线图

1RD 红线接电源+DC12~24V正极

2BK 黑线接电源-DC12~24V负极

3GR绿线接485信号输入正极;

4YW黄线接485信号输入负极


产品视频
产品资料下载
样品购买申请
提交中
提交成功
提交失败
提交出错
相关产品推荐
© 2015 台州通禾流体控制股份有限公司 浙ICP备13011497号-1 浙ICP备13011497号-2 全案策划:KCCN
客服1
客服2
置顶