Array DN8 不锈钢两通比例调节阀-电动球阀,塑料电动球阀,定时排水阀门,防漏水控制器,定时排污阀门,电动阀门,电动执行器|台州通禾流体控制股份有限公司
通禾
产品组图
产品组图
产品组图
产品组图
产品组图
产品组图
产品组图
产品组图
DN8 不锈钢两通比例调节阀
A20-M8-S2-C

1、 外形美观,结构紧凑,精度高输出扭矩大,使用寿命不低于7万次

2、 执行器和阀门可以多角度装配,方便于用户对于空间的分配需求。

3、 球阀采用浮动软密封结构。

4、 防护等级IP67。


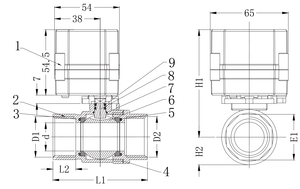
产品参数
安装说明
手机查看
技术参数
口径
BSP/NPT 1/4” 3/8” 1/2” 3/4” 1” (可选)
最大工作压力
1.0MPa
介质
水、空气
额定电压
DC9-24V DC9-45V
输入信号
4-20mA、0-5V、0-10V、2-10V、1-5V、RS485(可选)
输出信号
PWM 4-20mA、0-5V、0-10V、2-10V、1-5V(可选)
开关时间
≤8S
寿命
70000次
阀材质
SS304 SS316 (可选)
执行器材质
PPO
执行器旋转角度
90°
扭力
3N.m
线长
0.5M 1.5M (可选)
环境温度
-15-55℃
介质温度
2-90℃
手动功能
开关指示
防护等级
IP67
工作电流
≤500mA
组装图
接线图

1、红线电源+,接DC9~24V正极;

2、黑线电源-,接DC9~24V负极,4-20mA/0-5V/0-10V/1-5V/2-10V负极

3、绿线位置输入+,控制电流/电压(4-20mA/0-5V/0-10V/1-5V/2-10V可选)正极

4、黄线错误输出Fault信号, 湿节点, OC输出(NPN三极管集电极输出),当有错误导致电机工作电流过大,比如当阀门有杂物档住球转不动时等,节点闭合,正常工作时节点断开,只能拉低外部信号,负载500mA。

5、白线位置反馈PWM信号,湿节点,  OC输出(NPN三极管集电极输出),频率100Hz, 占空比5%-95%, 表示0-90度,负载500mA。

*测试PWM信号:WT接上拉电阻到RD,一般使用1k或5.1k电阻,推荐15v以下供电使用1k,15v以上供电使用5.1k,示波器夹子接电源负极,探头接PWM白线

*测试错误输出Fault信号:同PWM信号测试,接1k或5.1k上拉电阻到RD, 示波器夹子接电源负极,探头接Fault黄线 


1、红线电源+,接DC9~24V正极

2、黑线电源-,接DC9~24V负极

3、绿线位置输入+,控制电流(4-20mA)正极

4、白线位置输入-,位置反馈负极

5、黄线位置反馈+,反馈信号为输出电流4-20mA

*4-20ma输出,负载电阻最大为输入电源电压(v-2)/0.02,比如15v供电,(15-2)/0.02=650欧。推荐使用300欧


1、红线电源+,接DC9~24V正极

2、黑线电源-,接DC9~24V负极

3、绿线位置输入+,控制电压(0-5V)正极

4、白线位置输入-,位置反馈负极

5、黄线位置反馈+,反馈信号为输出电流4-20mA

*4-20ma输出,负载电阻最大为输入电源电压(v-2)/0.02,比如15v供电,(15-2)/0.02=650欧。推荐使用300欧


1、红线电源+,接DC9~24V正极

2、黑线电源-,接DC9~24V负极

3、绿线位置输入+,控制电压(0-10V)正极

4、白线位置输入-,位置反馈负极

5、黄线位置反馈+,反馈信号为输出电流4-20mA

*4-20ma输出,负载电阻最大为输入电源电压(v-2)/0.02,比如15v供电,(15-2)/0.02=650欧。推荐使用300欧


1RD 红线接电源+DC12~24V正极

2BK 黑线接电源-DC12~24V负极

3GR绿线接485信号输入正极;

4YW黄线接485信号输入负极


1、红线电源+,接DC9-24V正极

2、黑线电源-,接DC9-24V负极

3、绿线位置输入+,控制电压(2-10V)正极

4、白线位置输入-,位置反馈负极

5、黄线位置反馈+,反馈信号为输出电压2-10V


1、红线电源+,接DC9~24V正极

2、黑线电源-,接DC9~24V负极

3、绿线位置输入+,控制电压(0-5V)正极

4、白线位置输入-,位置反馈负极

5、黄线位置反馈+,反馈信号为输出电流4-20mA

*4-20ma输出,负载电阻最大为输入电源电压(v-2)/0.02,比如15v供电,(15-2)/0.02=650欧。推荐使用300欧


1、红线电源+,接DC9~24V正极;

2、黑线电源-,接DC9~24V负极,4-20mA/0-5V/0-10V/1-5V/2-10V负极

3、绿线位置输入+,控制电流/电压(4-20mA/0-5V/0-10V/1-5V/2-10V可选)正极

4、黄线错误输出Fault信号, 湿节点, OC输出(NPN三极管集电极输出),当有错误导致电机工作电流过大,比如当阀门有杂物档住球转不动时等,节点闭合,正常工作时节点断开,只能拉低外部信号,负载500mA。

5、白线位置反馈PWM信号,湿节点,  OC输出(NPN三极管集电极输出),频率100Hz, 占空比5%-95%, 表示0-90度,负载500mA。

*测试PWM信号:WT接上拉电阻到RD,一般使用1k或5.1k电阻,推荐15v以下供电使用1k,15v以上供电使用5.1k,示波器夹子接电源负极,探头接PWM白线

*测试错误输出Fault信号:同PWM信号测试,接1k或5.1k上拉电阻到RD, 示波器夹子接电源负极,探头接Fault黄线 

1、红线电源+,接DC9~24V正极;

2、黑线电源-,接DC9~24V负极,4-20mA/0-5V/0-10V/1-5V/2-10V负极

3、绿线位置输入+,控制电流/电压(4-20mA/0-5V/0-10V/1-5V/2-10V可选)正极

4、黄线错误输出Fault信号, 湿节点, OC输出(NPN三极管集电极输出),当有错误导致电机工作电流过大,比如当阀门有杂物档住球转不动时等,节点闭合,正常工作时节点断开,只能拉低外部信号,负载500mA。

5、白线位置反馈PWM信号,湿节点,  OC输出(NPN三极管集电极输出),频率100Hz, 占空比5%-95%, 表示0-90度,负载500mA。

*测试PWM信号:WT接上拉电阻到RD,一般使用1k或5.1k电阻,推荐15v以下供电使用1k,15v以上供电使用5.1k,示波器夹子接电源负极,探头接PWM白线

*测试错误输出Fault信号:同PWM信号测试,接1k或5.1k上拉电阻到RD, 示波器夹子接电源负极,探头接Fault黄线 

产品视频
产品资料下载
样品购买申请
提交中
提交成功
提交失败
提交出错
相关产品推荐
© 2015 台州通禾流体控制股份有限公司 浙ICP备13011497号-1 浙ICP备13011497号-2 全案策划:KCCN
客服1
客服2
置顶